УВЕДОМЛЕНИЕ О ПОЖАРЕ
Сигнал срабатывания извещателя сохраняется после окончания воздействия на него продуктов горения (дыма). Сброс сигнала производится отключением или переполюсовкой питания извещателя на время не менее 3 секунд.
ИНДИКАТОР РАБОТЫ
"Дежурный режим" - мигание индикатора с периодом 7 секунд; "Пожар" - мигание индикатора с частотой около 2 Гц. Индикация работоспособности дымового канала.
ГАРАНТИЯ РАБОТОСПОСОБНОСТИ
Встроенный дополнительный резистор 1кОм. Автоматическая компенсация запылённости дымовой камеры. Извещатель сохраняет работоспособность при воздействии фоновой освещённости от искусственного и/или естественного освещения 12 000 лк.
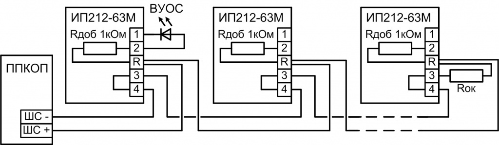
Типовая схема включения извещателя для приборов с однополярным шлейфом сигнализации. Величина резистора Rок определяется в соответствии с техническим описанием ПКП
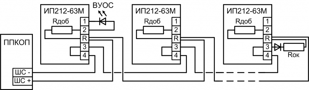
Типовая схема включения извещателя для приборов с переполюсовкой шлейфа сигнализации. Величина резисторов Rок и Rдоб определяется в соответствии с техническим описанием ПКП
|
Тип товара
|
Датчик дыма |
|
Бренд
|
Сибирский Арсенал |
|
Напряжение питания
|
9 - 30 В |
|
Степень защиты
? Первое число информирует о степени защиты от твердых частиц. Второе число информирует о степени защиты от воды |
IP40 |
|
Рабочая влажность
? Максимально допустимая относительная влажность воздуха для корректной работы устройства |
До 93% |
|
Рабочая температура
? Диапазон температур, в котором устройство работает исправно |
От -30 °C до +55 °C |
|
Вес изделия
|
150 г |
|
Габариты
|
104x50 мм |
Для покупки товара в нашем интернет-магазине выберите понравившийся товар и добавьте его в корзину. Далее перейдите в Корзину и нажмите на «Оформить заказ» или «Быстрый заказ».
Когда оформляете быстрый заказ, напишите ФИО, телефон и e-mail. Вам перезвонит менеджер и уточнит условия заказа. По результатам разговора вам придет подтверждение оформления товара на почту или через СМС. Теперь останется только ждать доставки и радоваться новой покупке.
Оформление заказа в стандартном режиме выглядит следующим образом. Заполняете полностью форму по последовательным этапам: адрес, способ доставки, оплаты, данные о себе. Советуем в комментарии к заказу написать информацию, которая поможет курьеру вас найти. Нажмите кнопку «Оформить заказ».
Вы можете выбрать наиболее удобный для вас способ оплаты:
-
Наличными при самовывозе из фирменных магазинов AV808
-
Наличными курьеру при доставке курьерской службой AV808
-
Картой при самовывозе из фирменных магазинов или пункта выдачи заказов
-
Онлайн оплата через платёжные системы
Яндекс Касса,
СберPay,
T-Pay или по QR через
СБП
-
Оплата с рассрочкой или в кредит от
СберБанк,
Яндекс или
Тинькофф
При онлайн оплате вам потребуется заполнить специальную форму. Обязательно укажите: ваши имя и фамилию, электронный адрес и номер телефона.
Также вы можете получить ссылку на оплату по электронной почте или в СМС.
Более подробно о всех вариантах и условиях оплаты заказа вы можете узнать здесь.
Вы можете выбрать наиболее удобный для вас способ получения товара:
Курьерская доставка
-
Курьерская Яндекс Доставка
-
Курьерская доставка AV808
-
Курьерская доставка DPD
-
Курьерская доставка СДЕК
Самовывоз из пункта выдачи заказов
-
Самовывоз из пункта Яндекс
-
Самовывоз из магазина AV808
-
Самовывоз из пункта DPD
-
Самовывоз из пункта СДЕК
При доставке в пункт выдачи, вы сами выбираете на карте удобный для вас пункт и получаете номер для отслеживания посылки.
При поступлении заказа в пункт выдачи, вы дополнительно получаете СМС уведомление на указанный при оформлении номер телефона.
По согласованию возможны специальные условия доставки (ПЭК, Деловые линии).
Доставка осуществляется по всей территории России.
Более подробно о всех условиях и вариантах доставки вы можете узнать здесь.


Наличными при самовывозе из фирменных магазинов AV808
Картой при самовывозе из фирменных магазинов или пункта выдачи заказов
Онлайн оплата через платёжные системы
Яндекс Касса,
СберPay,
T-Pay или по QR через
СБП
Оплата с рассрочкой или в кредит от
Курьерская доставка DPD